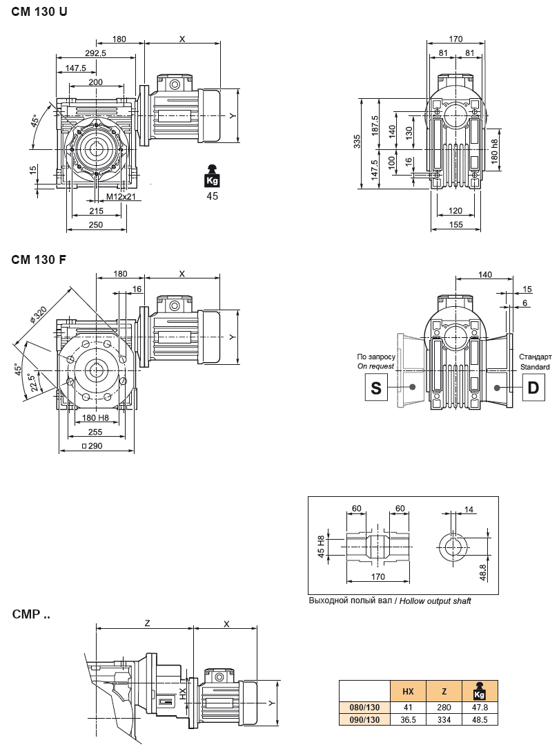
Самый мощный мотор-редуктор CM130 в линейке червячный приводов TRANSTECNO. Редуктор позволяет получать высокие моменты в широком диапазоне скоростей. Корпус редуктора отлит из чугуна и окрашен в серую краску. Выходной вал мотор-редуктора полый диаметром 45 мм.

|