
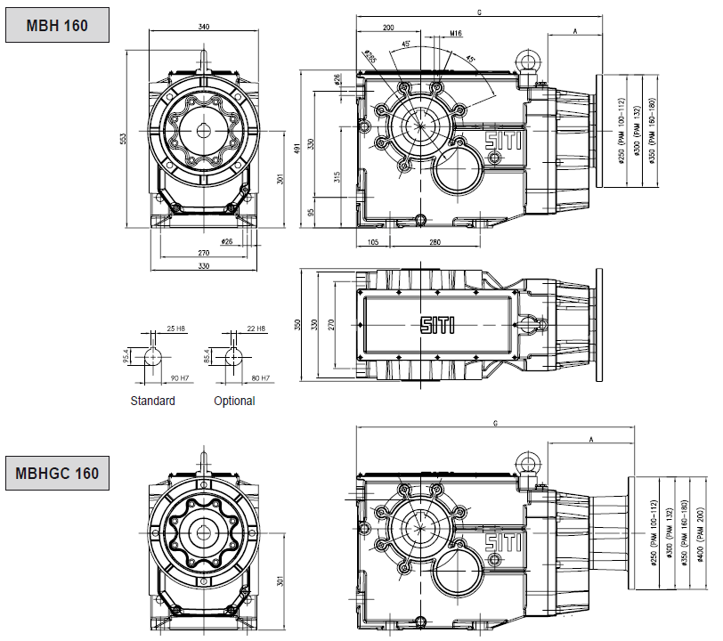
Габаритно-присоединительные размеры MBH 160 |
| |


|
А |
G |
ВН160 |
|
854,5 |
МВН160 РАМ 100 |
170 |
765,5 |
МВН160 РАМ 112 |
170 |
765,5 |
МВН160 РАМ 132 |
170 |
765,5 |
МВН160 РАМ 160 |
170 |
765,5 |
MBHGC160 GR.100 |
211 |
806,5 |
MBHGC160 GR.112 |
211 |
806,5 |
MBHGC160 GR.132 |
211 |
806,5 |
MBHGC160 GR.160 |
270 |
865,5 |
MBHGC160 GR.180 |
270 |
865,5 |
MBHGC160 GR.200 |
270 |
865,5 |
i |
MBH |
MBHGC |
100 |
112 |
132 |
160 |
100 |
112 |
132 |
160 |
180 |
200 |
7.56 |
|
|
|
|
|
|
|
|
|
|
9.24 |
|
|
|
|
|
|
|
|
|
|
10.80 |
|
|
|
|
|
|
|
|
|
|
12.35 |
|
|
|
|
|
|
|
|
|
|
15.10 |
|
|
|
|
|
|
|
|
|
|
17.65 |
|
|
|
|
|
|
|
|
|
|
19.66 |
|
|
|
|
|
|
|
|
|
|
23.26 |
|
|
|
|
|
|
|
|
|
|
26.19 |
|
|
|
|
|
|
|
|
|
|
31.67 |
|
|
|
|
|
|
|
|
|
|
36.65 |
|
|
|
|
|
|
|
|
|
|
42.19 |
|
|
|
|
|
|
|
|
|
|
49.70 |
|
|
|
|
|
|
|
|
|
|
54.90 |
|
|
|
|
|
|
|
|
|
|
63.00 |
|
|
|
|
|
|
|
|
|
|
73.73 |
|
|
|
|
|
|
|
|
|
|
86.14 |
|
|
|
|
|
|
|
|
|
|
103.50 |
|
|
|
|
|
|
|
|
|
|
127.80 |
|
|
|
|
|
|
|
|
|
|
144.00 |
|
|
|
|
|
|
|
|
|
|
165.60 |
|
|
|
|
|
|
|
|
|
|
186.00 |
|
|
|
|
|
|
|
|
|
|

|
| |