
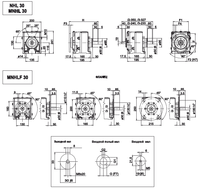
Габаритно-присоединительные размеры MNHL 30 |
| |
|

30/2 -30/3 |
G |
G1 |
G2 |
F |
F1 |
F2 |
F3 |
F4 |
Н |
12... 71 B5/2F .. 71 В5 |
14 |
16,3 |
5 |
160 |
130 |
110 |
10 |
9 |
317 |
/2... 80B5/2F .. 80 В5 |
19 |
21,8 |
6 |
200 |
165 |
130 |
11 |
11 |
311 |
/2... 90B5/2F .. 90 В5 |
24 |
27,3 |
8 |
200 |
165 |
130 |
11 |
11 |
311 |
/2...100-112 В5 /2F...100-112 В5 |
28 |
31,3 |
8 |
250 |
215 |
180 |
13 |
13 |
311 |
/3... 56B5/3F .. 56 В5 |
9 |
10,4 |
3 |
120 |
100 |
80 |
8 |
7 |
318 |
/3... 63B5/3F .. 63 В5 |
11 |
12,8 |
4 |
140 |
115 |
95 |
12 |
9 |
317 |
/3... 71 B5/3F .. 71 В5 |
14 |
16,3 |
5 |
160 |
130 |
110 |
10,5 |
9 |
316 |
/3... 80B5/3F .. 80 В5 |
19 |
21,8 |
6 |
200 |
165 |
130 |
10,5 |
11 |
300 |
|
| |