|

Мотор-редукторы планетарные двухступенчатые типа МПО2М-10, МПО2М-15: характеристики, устройство, принцип работы, цена. Город Саратов, Саратовская область |
|
Мотор-редукторы серии МПО2М-10, МПО2М-15 применяются в качестве привода машин использующихся преимущественно в химическом производстве. Мотор-редукторы не прихотливы в работе и имеют высокую перегрузочную способность. Редукторы серии МПО получили широкое распространение еще со времен СССР и зарекомендовали себя как надежные изделия. Редуктор имеет двухступенчатую планетарную передачу и позволяет получить диапазон скоростей 0,56 – 63 об/мин. |
|
Техническое описание
Условия применения
Габаритные и присоединительные размеры
Технические характеристики
Паспорт
Техническое описание МПО2М-10, МПО2М-15
Мотор-редукторы серии МПО2М изготовлены из чугуна и позволяют получить крутящий момент в пределах 55 – 2262Нм. Монтаж редуктора осуществляется на лапах или на опорном фланце. Диаметр выходного вала редуктора МПО2М-10 – 40 мм, а МПО2М-15 – 65 мм. В виду того, что данная серия рассчитана работать на химическом производстве, в большинстве случаев редукторы комплектуются взрывозащищенными электродвигателями.
УСЛОВИЯ ПРИМЕНЕНИЯ РЕДУКТОРОВ
- Вращение выходного вала в обе стороны без изменений скорости и выходного момента
- Непрерывность работы до 24 ч/сут при соблюдении требований (по ГОСТ 183-74)
- Нагрузка постоянная или переменная, не превышающая максимально допустимый момент
- Температура внешней среды от -40°С до +45°С
- Климатические условия класса У и Т, категория размещения 2 и 3
- Высота над уровнем моря не должна превышать 1000 м, допускается эксплуатация редуктора на высоте более 1000 м при соблюдении требований описанных в ГОСТ 183-74.
Мотор-редукторы МПО2М-10, МПО2М-15 по способу монтажа имеют четыре модификации:
- Щ - горизонтальное исполнение крепление на лапах)
- Ф - горизонтальное исполнение (крепление на опорном фланеце)
- В – вертикальное исполнение (крепление на опорном фланеце)
- ВК - крепление на опорном фланеце, кольцевая канавка на валу.
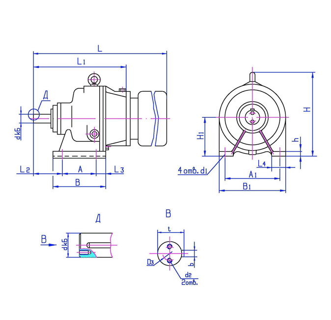
Габаритные и присоединительные размеры
Ф - горизонтальное исполнение (крепление на опорном фланеце)

Тип |
L1 |
I1 |
I2 |
I3 |
I4 |
D |
D1 |
D2 |
D3 |
n |
d |
d1 |
d2*1 |
b |
t |
МПО2М-10 |
420 |
6 |
16 |
110 |
80 |
270 |
300 |
330 |
20 |
6 |
40 |
13 |
M8*16 |
12 |
43 |
МПО2М-15 |
620 |
10 |
20 |
190 |
140 |
330 |
375 |
420 |
30 |
6 |
65 |
22 |
M10*22 |
18 |
69 |
В – вертикальное исполнение (крепление на опорном фланеце)

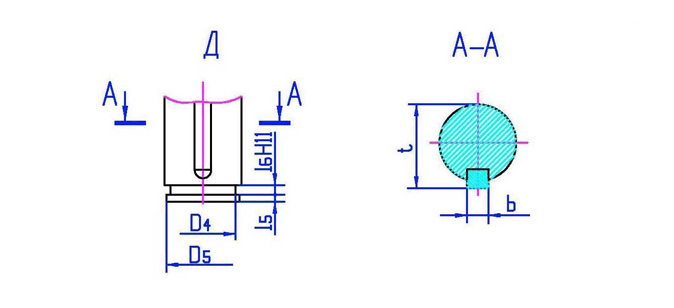
ВК - крепление на опорном фланеце, кольцевая канавка на валу

Тип |
L1 |
I1 |
I2 |
I3 |
I4 |
I5 |
I6 |
D |
D1 |
D2 |
D3 |
D4 |
D5 |
n |
d |
d1 |
d2*1 |
b |
t |
МПО2М-10 |
420 |
6 |
16 |
110 |
80 |
4 |
5 |
270 |
300 |
330 |
20 |
32 |
38 |
6 |
40 |
13 |
M8*16 |
12 |
43 |
МПО2М-15 |
620 |
10 |
20 |
190 |
140 |
6 |
8 |
330 |
375 |
420 |
30 |
55 |
62 |
6 |
65 |
22 |
M10*22 |
18 |
69 |
Щ - горизонтальное исполнение крепление на лапах)

Тип |
L1 |
L2 |
L3 |
L4 |
H |
H1 |
A |
A1 |
B |
B1 |
h |
d |
d1 |
d2*1 |
D3 |
b |
t |
МПО2М-10 |
420 |
125 |
40 |
60 |
370 |
160 |
150 |
250 |
210 |
300 |
20 |
40 |
17 |
M8*16 |
20 |
12 |
43 |
МПО2М-15 |
620 |
215 |
65 |
100 |
496 |
225 |
210 |
390 |
300 |
460 |
35 |
65 |
22 |
M10*22 |
30 |
18 |
69 |
Технические характеристики
Мотор-редуктор |
Электродвигатель |
Типоразмер |
Передаточное число |
Номинальная частота вращения выходного вала, об/мин |
масса мотор-редуктора, кг,не более. |
Корректированный уровень звуковой мощности по шкале А, дБ, не более |
Тип |
Мощность, кВт |
МПО2М-10 |
23,1 |
63 |
102 |
89 |
4АМХ100s4 |
3 |
142 |
2В100s4 |
28,2 |
50 |
102 |
4АМХ100s4 |
142 |
2В100s4 |
86 |
86 |
4АМХ80B4 |
1,5 |
100 |
B80B4 |
81 |
4АМХ71B4 |
0,75 |
88 |
B71B4 |
45,5 |
31,5 |
86 |
4АМХ80B4 |
1,5 |
100 |
B80B4 |
45,5 |
31,5 |
81 |
86 |
4АМХ71B4 |
0,75 |
88 |
B71B4 |
66,5 |
20 |
86 |
4АМХ80B4 |
1,5 |
100 |
B80B4 |
81 |
4АМХ71B4 |
0,75 |
88 |
B71B4 |
81,6 |
16 |
81 |
4АМХ71B4 |
88 |
B71B4 |
208 |
6,3 |
71 |
4АА63B4 |
0,37 |
85 |
B63B4 |
2190 |
0,63 |
71 |
4АА63B4 |
85 |
B63B4 |
МПО2М-15 |
24,6
32,1 |
59
45 |
267 |
93 |
4АМ132М4 |
11 |
315 |
2В132М4 |
252 |
4АМ132s4 |
7,5 |
305 |
2В132s4 |
267 |
4АМ132М4 |
11 |
315 |
2В132М4 |
252 |
4АМ132s4 |
7,5 |
305 |
2В132s4 |
228 |
4АМ112МА4 |
5,5 |
270 |
2В112М4 |
46,9 |
31 |
228 |
4АМ112МА4 |
270 |
2В112М4 |
81,5 |
18 |
207 |
89 |
4АМХ100sА4 |
3 |
260 |
2В100s4 |
101,7 |
14 |
191 |
86 |
4АМХ80В4 |
1,5 |
204 |
В80В4 |
204 |
6,7 |
186 |
4АМХ71В4 |
0,75 |
195 |
В71В4 |
4,6 |
190 |
4АМХ80А6 |
202 |
В80А6 |
2469 |
0,56 |
186 |
4АМХ71А4 |
0,55 |
195 |
В71А4 |
0,55 |
Модернизированные планетарные мотор-редукторы МПО-2М изготавливаются их качественных материалов на современном оборудовании. Предпродажная подготовка исключает какой-либо брак в виде люфтов и течи масла. Наши редукторы малошумные и не греются в процессе работы. По желанию клиента мы готовы укомплектовать привод специальными электродвигателями различных марок.
|
| |
|
| ©
2014 Редукторы, мотор-редукторы, устройства плавного пуска, преобразователи частоты |
|
|