Вернуться в общее описание
Редукторы NMRV имеют следующие типоразмеры:
nmrv 030, nmrv 040, nmrv 050, nmrv 063, nmrv 075, nmrv 090, nmrv 110, nmrv 130, nmrv 150
- Типоразмер - 063 - изготавливается из алюминиевого сплава, литого под давлением;
- Нагрузочная способность в соответствии с: ISO 14521, ISO 6336, DIN 3990, DIN 743, ISO 281, DIN 3996, BS 721, AGMA 6034;
- Передаточное отношение - 7,5 - 100;
- Мощность электродвигателя - 0,18- 2,2 квт;
- Момент на выходном валу - 35 - 180 Нм;
- Окраска редуктора синяя - RAL 5010.
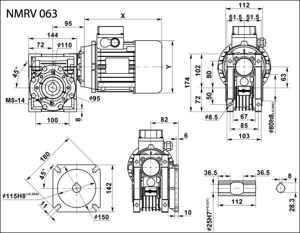
Габаритные и присоединительные размеры NMRV 063

Выходные обороты и мощность электродвигателя
Мощность электродвигателя в кВт |
Скорость вращения выходного вала в об/мин |
Момент на выходном валу в Нм |
Сервис-фактор s/f |
Передаточное отношение - i |
Габарит и количество полюсов электродвигателя |
Максимальная радиальная нагрузка на выходной вал |
0,18 |
15.0 |
66 |
2.1 |
60 |
71A6 |
5467 |
11.3 |
79 |
1.6 |
80 |
6018 |
9.0 |
90 |
1.4 |
100 |
6270 |
0,25 |
28.0 |
56 |
2.4 |
50 |
71А4 |
4440 |
23.3 |
63 |
2.0 |
60 |
4719 |
17.5 |
78 |
1.6 |
80 |
5193 |
14.0 |
87 |
1.4 |
100 |
5595 |
18.0 |
81 |
1.8 |
50 |
71В6 |
5145 |
15.0 |
92 |
1.5 |
60 |
5467 |
11.3 |
110 |
1.2 |
80 |
6018 |
9.0 |
125 |
1.0 |
100 |
6270 |
0,37 |
35.0 |
71 |
2.1 |
40 |
71B4 |
4122 |
28.0 |
83 |
1.6 |
50 |
4440 |
23.3 |
94 |
1.4 |
60 |
4719 |
17.5 |
115 |
1.1 |
80 |
5193 |
14.0 |
129 |
0.9 |
100 |
5595 |
45.0 |
60 |
2.4 |
20 |
80A6 |
3791 |
36.0 |
74 |
1.9 |
25 |
4084 |
30.0 |
82 |
2.1 |
30 |
4339 |
22.5 |
102 |
1.6 |
40 |
4776 |
18.0 |
120 |
1.2 |
50 |
5145 |
15.0 |
137 |
1.0 |
60 |
5467 |
0,55 |
70.0 |
56 |
1.9 |
40 |
71B2 |
3272 |
56.0 |
67 |
1.5 |
50 |
3524 |
46.7 |
77 |
1.2 |
60 |
3745 |
35.0 |
95 |
0.9 |
80 |
4122 |
28.0 |
109 |
0.7 |
100 |
4440 |
70.0 |
61 |
2.2 |
20 |
80A4 |
3272 |
56.0 |
73 |
1.8 |
25 |
3524 |
46.7 |
83 |
1.9 |
30 |
3745 |
35.0 |
105 |
1.4 |
40 |
4122 |
28.0 |
124 |
1.1 |
50 |
4440 |
23.3 |
140 |
0.9 |
60 |
4719 |
60.0 |
71 |
2.2 |
15 |
80B6 |
3444 |
45.0 |
90 |
1.6 |
20 |
3791 |
36.0 |
109 |
1.3 |
25 |
4084 |
30.0 |
123 |
1.4 |
30 |
4339 |
22.5 |
152 |
1.1 |
40 |
4776 |
0,75 |
140.0 |
43 |
2.3 |
20 |
80А2 |
2597 |
112.0 |
52 |
1.8 |
25 |
2797 |
93.3 |
60 |
2.0 |
30 |
2973 |
70.0 |
77 |
1.4 |
40 |
3272 |
56.0 |
91 |
1.1 |
50 |
3524 |
46.7 |
104 |
0.9 |
60 |
3745 |
93.3 |
64 |
2.2 |
15 |
80В4 |
2973 |
70.0 |
83 |
1.6 |
20 |
3272 |
56.0 |
100 |
1.3 |
25 |
3524 |
46.7 |
114 |
1.4 |
30 |
3745 |
35.0 |
143 |
1.0 |
40 |
4122 |
120.0 |
52 |
2.9 |
7.5 |
90S6 |
2734 |
90.0 |
68 |
2.3 |
10 |
3009 |
60.0 |
97 |
1.6 |
15 |
3444 |
45.0 |
123 |
1.2 |
20 |
3791 |
36.0 |
149 |
0.9 |
25 |
4084 |
30.0 |
167 |
1.0 |
30 |
4339 |
1,1 |
186.7 |
48 |
2.1 |
15 |
80B2 |
2359 |
140.0 |
63 |
1.6 |
20 |
2597 |
112.0 |
77 |
1.2 |
25 |
2797 |
93.3 |
88 |
1.4 |
30 |
2973 |
70.0 |
113 |
1.0 |
40 |
3272 |
120.0 |
76 |
2.0 |
7.5 |
90L6 |
2734 |
90.0 |
99 |
1.5 |
10 |
3009 |
60.0 |
142 |
1.1 |
15 |
3444 |
45.0 |
180 |
0.8 |
20 |
3791 |
186.7 |
50 |
2.6 |
7.5 |
90S4 |
2359 |
140.0 |
65 |
2.0 |
10 |
2597 |
93.3 |
93 |
1.5 |
15 |
2973 |
70.0 |
122 |
1.1 |
20 |
3272 |
56.0 |
146 |
0.9 |
25 |
3524 |
46.7 |
167 |
1.0 |
30 |
3745 |
1,5 |
186.7 |
68 |
1.9 |
7.5 |
90L4 |
2359 |
140.0 |
89 |
1.5 |
10 |
2597 |
93.3 |
127 |
1.1 |
15 |
2973 |
70.0 |
166 |
0.8 |
20 |
3272 |
373.3 |
35 |
2.7 |
7.5 |
90S2 |
1873 |
280.0 |
46 |
2.1 |
10 |
2061 |
186.7 |
66 |
1.6 |
15 |
2359 |
140.0 |
86 |
1.2 |
20 |
2597 |
112.0 |
105 |
0.9 |
25 |
2797 |
93.3 |
120 |
1.0 |
30 |
2973 |
186.7 |
83 |
1.5 |
7.5 |
90L4 |
2359 |
140.0 |
109 |
1.2 |
10 |
2597 |
93.3 |
156 |
0.9 |
15 |
2973 |
2,2 |
373.3 |
51 |
1.8 |
7.5 |
90L2 |
1873 |
280.0 |
67 |
1.5 |
10 |
2061 |
186.7 |
97 |
1.1 |
15 |
2359 |
Пример заказа редуктора:
NMRV - 063 - 10 - 140 - 1,5 - B3
NMRV - модель червячного редуктора
063 - габарит межцентровое расстояние в мм
10 - передаточное число
140 - скорость вращения выходного вала, об/мин
1,5 - мощность электродвигателя, кВт
B3 - расположение в пространстве
|