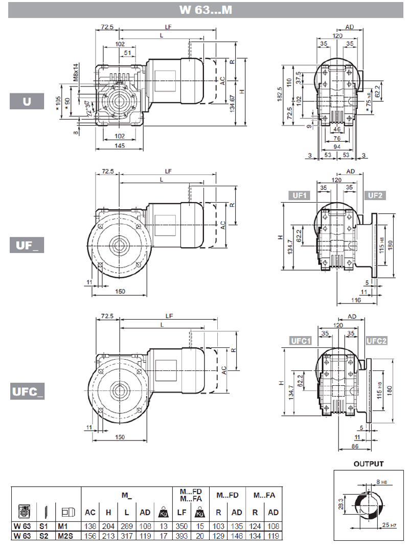
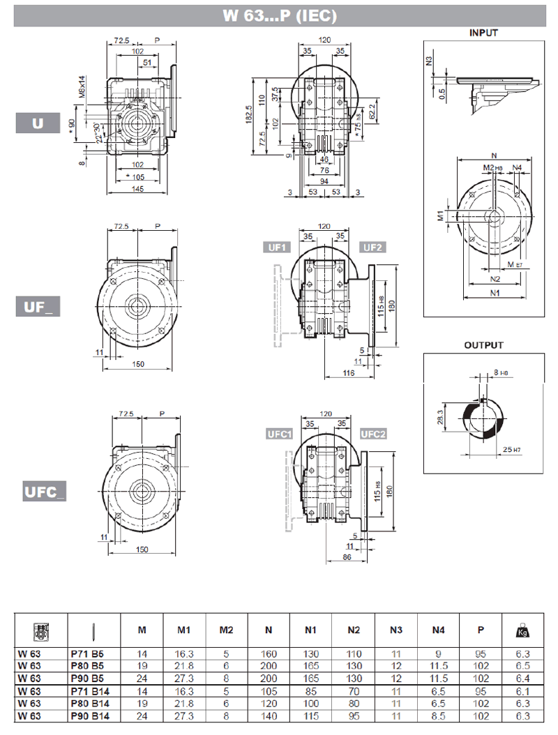
Габаритно-присоединительные размеры W63

 

Назад

Габаритно-присоединительные размеры W63

Габаритно-присоединительные размеры W63

Назад

 
© 2014 Редукторы, мотор-редукторы, устройства плавного пуска, преобразователи частоты